Flange Cardan Mb - 1519/2219 8 Furos
Modelo: 024508
R$ 411,93
no cartão em até 8x de R$ 51,49 sem juros
R$ 411,93
no PIX
Produto indisponível! Podemos avisar você quando estiver disponível?
x
Flange Cardan Mb - 1519/2219 8 Furos
R$ 411,93
FLANGE CARDAN - ORELHA
MERCEDES - 1218 L / 1313 LA / 1314 LAK / 1319 L / 1418 EL / 1418 L /1418 LA / 1418 LAK / 1418 LK / 1519 L / LK / LS / 1618 L / LK /1718 A / 1718 K / 1718 L / 2219 L / LB / LK / 2220 L / LB / LK /
2318 / O 326 / O 355 / O 364 / OF 1318 / OH 1318 / OH 1419 /OH 1517 / OH 1520
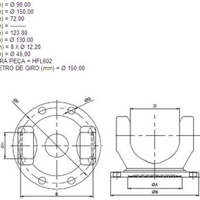
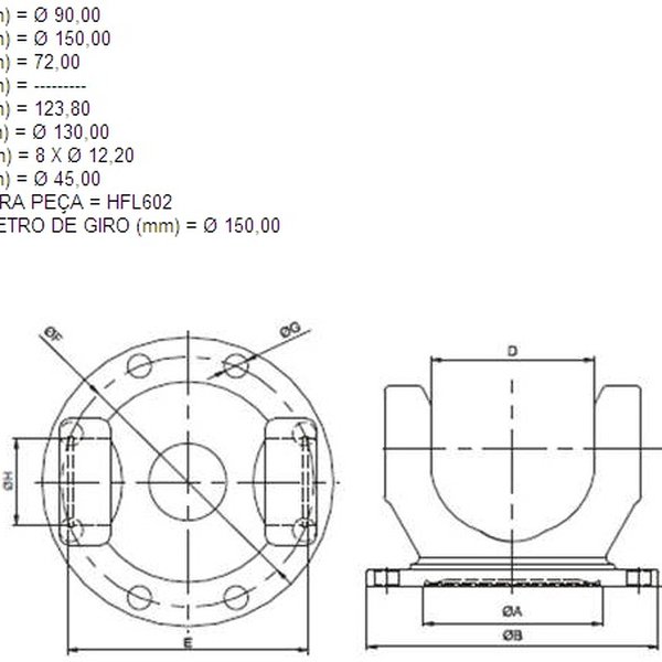
MEDIDAS - VER IMAGEM
RELACIONADOS
HCZ228 / HGF615 / HLV602 / HPT618 / RPT605
PILOTO - FEMEA
MEDIDAS:
DIÂMETRO DA FLANGE (MM) - 150
DIÂMETRO INTERNO DO REBAIXO - FÊMEA) (MM) - 90
NÚMERO DE FUROS - 8
DIÂMETRO DOS FUROS (MM) - 12,2
DIÂMETRO CENTRO DOS FUROS (MM) - 130
DIÂMETRO DA CRUZETA (MM) - 45
DIMENSÃO ENTRE CENTRO (MM) - 72
COMPRIMENTO MONTAGEM DA CRUZETA (MM) - 123.8



